
![[field:text/]](/uploads/allimg/200629/1-20062Z92012.jpg)
原理
叶片式流动开关是利用水的流动力量带动叶片,来测试管内液体是否流动,当液体在管路内没有流动时,弹簧将磁铁往下压叶片成垂直,此时磁簧开关无动作,接点在常开(NO)位置。当管路内有液体流动且液体流量足以将叶片推高约20°~30°时,叶片上方至偏心传动片将磁铁往上推,而磁铁的吸力使磁簧开关动作,此时接点接通(close)。由于管径的不同叶片长度也要随之改变。


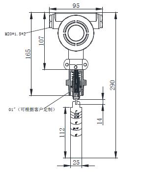
结构剖面图


产品规格
| 规格型号 | TX-WF16 |
|---|---|
| 接线盒材质 | Exd II CT6 |
| 操作温度 | -30℃~130℃ |
| 接液材质 | SUS304 |
| 操作压力 | Max.355 PSIG |
| **容许压降 | 3PSIG |
| 设定动作点公差 | ±25% |
| 重复动作误差 | ±5% |
| 接点容量 | 60W220V/200Vdc SPDT |
流量控制范围表
|
叶片长度 流量值 加仑/分 管路规格 | 1” | 1-1/2” | 2” | 2-1/2” | 3” | |||||
|---|---|---|---|---|---|---|---|---|---|---|
| 动作 | 复归 | 动作 | 复归 | 动作 | 复归 | 动作 | 复归 | 动作 | 复归 | |
| 1” | 4.7 | 3.9 | 10.9 | 8.3 | 19.9 | 16.1 | ||||
| 1-1/4” | 7.7 | 6.1 | 16.5 | 12.3 | 31.3 | 22.8 | ||||
| 1-1/2” | 5.7 | 4.5 | 13.4 | 9.5 | 25.2 | 18.5 | ||||
| 2” | 8.4 | 6.3 | 15.1 | 12.8 | 29.7 | 21.9 | ||||
| 2-1/2” | 13.9 | 10 | 20.4 | 15.4 | ||||||
| 3” | 17.1 | 12.8 | ||||||||
1加仑=3.7854升
安装步骤
1、叶片长度决定动作点位置。先依据导管尺寸及所希望设定动作点的位置来决定叶片长度,然后在叶片上适当的标记线处,将叶片截断。(使用者亦可在非标记线处自行截取适当长度)
2、叶片平面与管截面平行安装,固定在1”NPT牙口上。
3、装配完成时确定产品上流动箭头“FLOW”的标记与导管平行。(液体流通的管路呈水平)
4、流动开关要固定在T接头时,先用止泄带缠绕好后再装到牙口上紧锁即可。
本产品不适合用于1”大小塑料材质导管标准装配示意图如下:

注意事项
1、请勿超过目录上表示之压力及温度限制,如被测物会产生瞬间压力或温度,也作此点考虑。
2、由于某些被测液体至密度会改变管内温度,温度改变则影响设定位置的刻度;如有此情形发生请与本公司联络。
3、本产品设计可以防震,但震动减至**。
4、定时清除管内因被测液体带来的污染,过分污染会影响叶片动作的情形。
5、入线口处安装时应注意密封,以防水汽进入。
6、请勿任意修改产品外型。
地址:江苏省常州市新北区孟河镇郭河工业园 备案号:苏ICP备12002763号-13